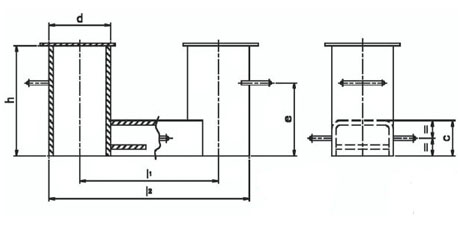
Type |
F |
Dimension(mm) |
Weight(kg) |
M |
T |
D |
C |
E |
H |
L1 |
L2 |
125 |
4.5 |
13.2 |
140 |
80 |
165 |
250 |
315 |
455 |
26 |
160 |
5.6 |
15.8 |
168 |
90 |
195 |
300 |
400 |
568 |
37 |
200 |
10.2 |
29 |
219 |
100 |
250 |
400 |
500 |
719 |
75 |
250 |
13.2 |
37.2 |
273 |
125 |
315 |
500 |
630 |
903 |
124 |
315 |
20.9 |
55 |
324 |
150 |
375 |
600 |
800 |
1124 |
230 |
400 |
28.5 |
75.4 |
406 |
175 |
435 |
700 |
1000 |
1406 |
356 |
500 |
52 |
123.6 |
508 |
200 |
515 |
830 |
1250 |
1758 |
723 |
630 |
62.7 |
158.1 |
610 |
225 |
615 |
1000 |
1570 |
2180 |
1084 |
710 |
83.1 |
219.3 |
711 |
250 |
675 |
1100 |
1750 |
2461 |
1532 |
|
| |
 |